13069356646
PRODUCT LIST
產品描述:全程綜合水處理器,內磁水處理器,旁流水處理器,底閥,旋啟式止回閥,新鄉市康達水處理閥門廠
產品特點:新鄉市康達水處理閥門廠【趙經理 13069356646】主要經營的產品有:全程綜合水處理器,內磁水處理器,旁流水處理器,底閥,旋啟式止回閥等。


產品概述
反沖洗過濾器,是一種利用濾網直接攔截水中的雜質,去除水體懸浮物、顆粒物,降低濁度,凈化水質,減少系統污垢、菌藻、銹蝕等產生,以凈化水質及保護系統其他設備正常工作的精密設備。反沖洗過濾器可立式、臥式、倒置任意方向任意位置安裝,可用于工業、農業、市政電力、電子、醫藥、食品、印染、建筑、鋼鐵、冶金、造紙等各行各業水過濾。反沖洗過濾器可用于對工業水、海水、食品和制藥等輕化工工業廢水、循環水的過濾,以及乳化液再生、廢油、液態原料等過濾處理等。在冶金工業及石化工業及電廠給排水和循環水系統和涉及到液態的介質過濾等工藝中,應用自動反沖洗過濾器也日趨廣泛,我國現代冶金企業引進的連鑄水系統、高爐水系統、熱軋用高壓水除鱗系統、乳化液系統以及封閉的水循環系統,液態的介質過濾系統均大量地采用了反沖洗過濾器。
工作原理
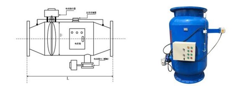
反沖洗過濾器主要由**碳鋼筒體,過濾組件,水流導向閥和排污裝置所組成,當過濾器工作時,水流導向閥處于開啟狀態,水流自入口進入過濾器,經濾網過濾到出口,水中污物雜質等被濾網攔截。當過濾器需要排污時,關閉水流導向閥,打開排污閥,水流經濾網前半程過濾,一部分水經過濾后直接流入系統,另一部分水由濾網外側流入內側,不斷沖刷濾網內壁上的污物,并經排污口排出,起到反向自動沖洗濾網和排出污物的作用,整個反沖排污過程不用關閉系統,無需人工進行清洗濾芯,實現了在線排污。
示意圖

技術參數
過濾精度 | 4-3000目 |
公稱壓力 | 0.6MPa、1.0MPa、1.6MPa |
殼體材質 | 碳鋼(可選不銹鋼,碳鋼防腐) |
電機功率 | 0.18KW、0.37KW(僅做參考) |
結構形式 | 直通型、角通型 |
控制方式 | 壓差、時間、手動 |
適用溫度 | 90℃ |
反沖洗時間 | 60-300s(可自行調節) |
濾芯材質 | 304/316(沖孔網、燒結網、楔形網) |
電源 | 220V/50Hz |
連接方式 | 法蘭連接 |
產品尺寸

規格型號 | L (總高度) | D (筒體直徑) | 排污口 | 處理流量 (m3/h) (僅供參考) | 參考功率 (W) |
ZPG-I-80 | 500 | 133 | DN40 | 30 | 85 |
ZPG-I-100 | 500 | 159 | DN40 | 50 | 85 |
ZPG-I-125 | 500 | 219 | DN50 | 80 | 100 |
ZPG-I-150 | 525 | 273 | DN50 | 120 | 100 |
ZPG-I-200 | 700 | 325 | DN65 | 250 | 115 |
ZPG-I-250 | 875 | 377 | DN65 | 320 | 115 |
ZPG-I-300 | 1050 | 426 | DN100 | 450 | 200 |
ZPG-I-350 | 1200 | 478 | DN100 | 550 | 200 |
ZPG-I-400 | 1400 | 529 | DN125 | 650 | 200 |
ZPG-I-450 | 1500 | 630 | DN125 | 720 | 200 |
ZPG-I-500 | 1700 | 720 | DN150 | 875 | 200 |
ZPG-I-600 | 1800 | 820 | DN150 | 1260 | 200 |
ZPG-I-700 | 1900 | 920 | DN150 | 1715 | 200 |
ZPG-I-800 | 2000 | 1100 | DN150 | 2600 | 200 |



















